מוצרים
מפסק ואקום VTZ-12C עם מנגנון הפעלה לרוחב
2. מנגנון הפעלה: מנגנון הפעלה מודולרי.
3. שיטת התקנה: טבעת ארון קבוע ראשי.
4. ארון תואם: תואם ליחידת הטבעת הראשית מסדרת HXGN-12.
5. תאימות מוצר לתקנים: GB/T1984-2014, GB/T11022-2011.
6. יתרונות המוצר: ביצועי E2-C2-M2, תחזוקה נוחה, ביצועי בידוד מעולים ויכולת הסתגלות גבוהה.
מפסק ואקום VTZ-12C עם מנגנון הפעלה לרוחב הוא ציוד מתג פנימי עם מתח נקוב של 12kV ותדר AC של 50/60Hz. הוא משתמש במנגנון ההפעלה המודולרי של החברה שלנו מסדרת VTZ, מה שהופך אותו למוצר נגזר מהסדרה. כולל פריסת מנגנון הפעלה לרוחב, זה מתאים למפעלי תעשייה וכרייה שונים, ציוד רשת חשמל, ישים בעיקר ליחידות עיקריות של אספקת חשמל עירונית.
מפרט מוצר
גיליון מפרט
|
לֹא. |
שֵׁם |
יְחִידָה |
נְתוּנִים |
|
1 |
מתח מדורג |
kV |
12 |
|
2 |
תדירות מדורגת |
הרץ |
50/60 |
|
3 |
מדורגCדחוף |
A |
630/1250/1600 |
|
4 |
מדורגPעלה FתדירותWלעמודVאולטאג' |
kV |
48(על פני פערי אנשי הקשר) / 42 (לקרקע) |
|
5 |
מדורגLהנחתהImpulseWלעמודVאולטאג' |
kV |
75 |
|
6 |
מדורגSהרט-CircuitBריקינגCדחוף |
kA |
25/31.5 |
|
7 |
מדורג Sהרט-CircuitMאקינגCדחוף (Peak) |
kA |
63/80 |
|
8 |
מדורגWלעמודCדחוף (Peak) |
kA |
63/80 |
|
9 |
מדורגDמתן שלSהרט-Circuit |
s |
4 |
|
10 |
פועלCמחזור בRאכלSהרט-CircuitBריקינגCדחוף |
מחזורים |
E2 |
|
11 |
מֵכָנִיEסיבולת |
פִּי |
10000 |
|
12 |
הפעלה רגילהSequence |
- |
O-0.3s-מְשׁוּתָף-180s-מְשׁוּתָף O-180s-מְשׁוּתָף-180s-מְשׁוּתָף |
|
13 |
מותר Wear Tגבה שלCנגיעה |
מ"מ |
פחות או שווה ל-3 |
מאפיינים מכניים
|
לֹא. |
שֵׁם |
יְחִידָה |
נְתוּנִים |
|
1 |
פינוי ביןהועבר ותוקן Cנגיעה |
מ"מ |
9±1 |
|
2 |
מַגָענסיעות יתר |
מ"מ |
3.5±0.5 |
|
3 |
מְמוּצָעCמפסידיםSהשתין |
m/s |
0.7±0.2 |
|
4 |
מְמוּצָעOעפרSהשתין (AממוצעSהשתיןשל הפתיחה הראשונהבְּ- 6מ"מ) |
m/s |
1.1±0.2 |
|
5 |
מדורגCנגיעה לַחַץ |
N |
2500±200N(25kA) 3100±200N(31.5kA) |
|
6 |
שעת סגירה |
גְבֶרֶת |
30-70 |
|
7 |
זמן פתיחה |
גְבֶרֶת |
20-50 |
|
8 |
מַגָעBמתרוצץDמתן בשעהCמפסידיםOפרציה |
גְבֶרֶת |
פחות או שווה ל-3 |
|
9 |
לא-סחד-פעמיות שֶׁלסְגִירָה/Oעפר פעולותמתוך 3-Pיש |
גְבֶרֶת |
פחות או שווה ל-2 |
יתרונות המוצר
למפסק ואקום VTZ-12C עם מנגנון הפעלה לרוחב יש יתרונות רבים:
E2-C2-M2
עיצוב המנגנון המודולרי מאפשר החלפה קלה של סלילי הסגירה והפתיחה ללא צורך בפירוק רכיבים אחרים. זה מבטל את הצורך בבדיקה או התאמה לאחר ההחלפה, מה שמבטיח שהמשתמשים יכולים להחליף אותם באופן עצמאי, מה שהופך את התחזוקה שלאחר מכן לנוחה יותר.
המעגל המוליך הראשי מאמץ גליל מבודד שרף אפוקסי בעל חוזק גבוה של APG, החורג מהתקן של חברת החשמל מבחינת ביצועי בידוד.
שלושת השלבים של המפסק מסודרים מבפנים אל חוץ, עם עומק הארון המינימלי של 900 מ"מ, מה שהופך אותו למתאים לסביבות שונות. ניתן לצייד את המפסק במנעול מכני לשילוב קל עם מתג הבידוד ומתג ההארקה של הארון, מה שמבטיח בטיחות גבוהה.
למפסק ואקום VTZ-12C עם מנגנון הפעלה לרוחב יש יישומים רבים:
מערכות הפצה קהילתיות עירוניות
ציוד לתחנת משנה ניידת
מפעלי תעשייה וכרייה
ציור מתאר המוצר

הערה: ישנן אפשרויות מרובות עבור ה-VTZ-12C עם מפסק מנגנון הפעלה לרוחב. החיווט הראשי של המעגל המוליך הראשי יכול להיות בצד שמאל או ימין. ה-VTZ-12C עם מפסק זרם מנגנון הפעלה לרוחב יכול גם להרחיב את הציר הראשי לצד שמאל או ימין, ולהתקין את החלקים המתאימים לשילוב הארונות. בנוסף, ה-VTZ-12C עם מפסק מנגנון הפעלה לרוחב יכול להרחיב את ידית ההפעלה המכנית לפתיחה שמאלה או ימינה בחלק העליון, מה שמקל על החיבור לארון כדי לעמוד בדרישות הבטיחות התפעוליות המתאימות למשתמשים.
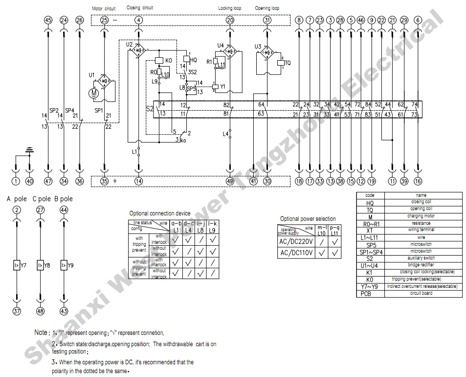
תרשים חיווט משני

תגיות פופולריות: מפסק ואקום vtz-12c עם מנגנון הפעלה לרוחב, סין vtz-12c מפסק ואקום עם מנגנון הפעלה לרוחב יצרנים, ספקים, מפעל








